详细信息

CHD03液压凿岩台车

来源: 2016-05-03
分享到:

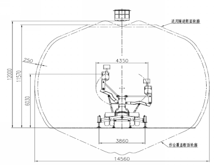
CHD03液压凿岩台车是一种采用钻爆法施工的专用液压凿岩设备,主要用于矿山开采、隧道及地下工程施工,能方便移动,支持三台液压凿岩机同时进行钻孔作业,作业覆盖面积大,钻孔范围广。传动系统、液压系统及动力系统均采用国际优质元件;液压系统具有防空打、防卡钎和自动退钎功能,可有效提高钻具使用寿命和钻孔效率;整机具有工作效率高、钻孔定位准确、结构强度高及使用寿命长等特点。

²作业效率高

可升降的翼式臂座,在四个多级油缸推动下可实现0°~120°转动,可举升3400mm,整个机构安全平稳,配合钻臂、推进器可实现大断面钻孔;

采用进口大功率中压高频冲击液压凿岩机DF550L,作业效率高、冲击力大、回转扭矩大,使用寿命长;回转中心至机顶距离仅为84mm,外插角小。

钻孔定位准确

钻臂采用两组三角油缸组成的双四面体结构,可实现精准定位和钻机推进器保持平行;

推进器采用重型铝合金U型梁,自重轻、抗弯、抗扭强度高,使用寿命长。

结构强度高

车架及翼式臂座采用箱型结构,钻臂采用优质铸钢件,强度高、抗疲劳,使用寿命长;

底盘选用进口优质柴油发动机和重载驱动桥。